SFD流量积算仪说明书:[2]

 时间:2024-11-04 05:11:37

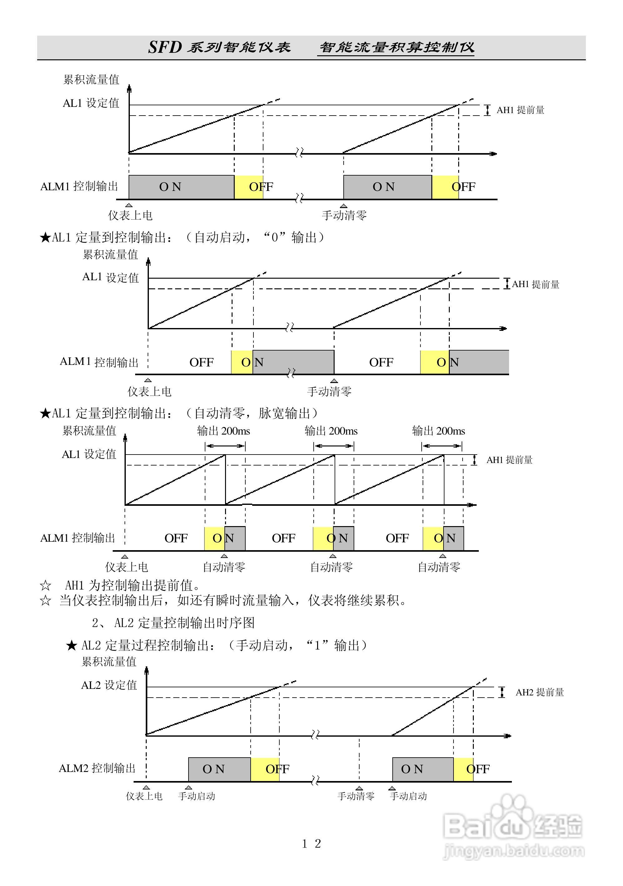
本篇为《SFD流量积算仪说明书》,主要介绍该产品的使用方法以及常见故障解决方案。

SFD流量积算仪说明书:[2]

SFD流量积算仪说明书:[2]

SFD流量积算仪说明书:[2]

SFD流量积算仪说明书:[2]

SFD流量积算仪说明书:[2]

SFD流量积算仪说明书:[2]

SFD流量积算仪说明书:[2]

SFD流量积算仪说明书:[2]

SFD流量积算仪说明书:[2]

SFD流量积算仪说明书:[2]

  • SFD流量积算仪说明书:[1]
  • XSJZ流量积算仪使用说明书:[2]
  • 同扬cj2103F流量积算仪说明书:[2]
  • 昌晖CF-LK智能流量积算控制仪说明书:[2]
  • CHJ流量积算仪
  • 热门搜索
    word怎么插入页码 电脑怎么设密码 气虚怎么调理 肾结石怎么排出 怎么练好字 我爱你英文怎么写 怎么关闭自动更新 足跟痛是怎么回事 三七怎么吃 商品描述怎么写