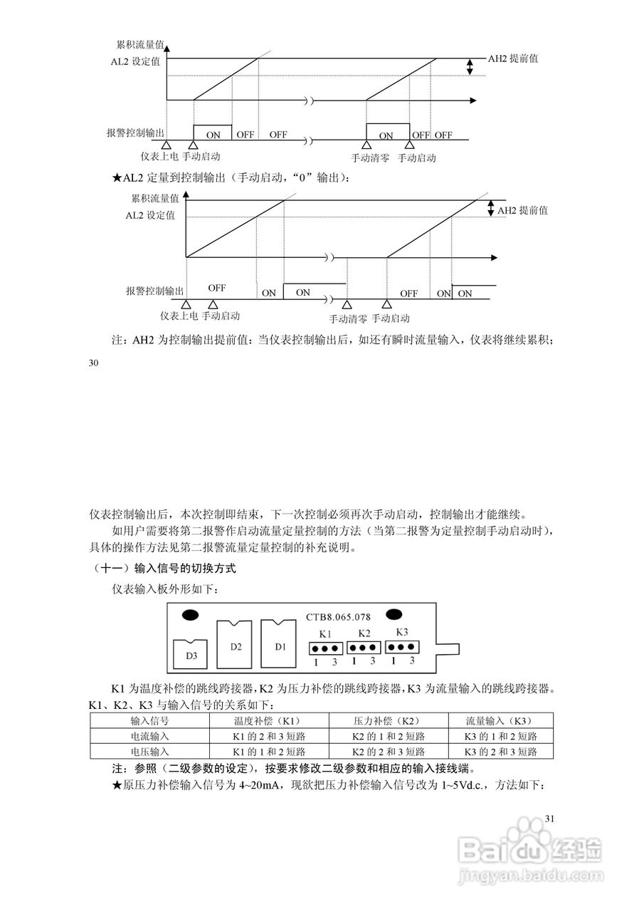
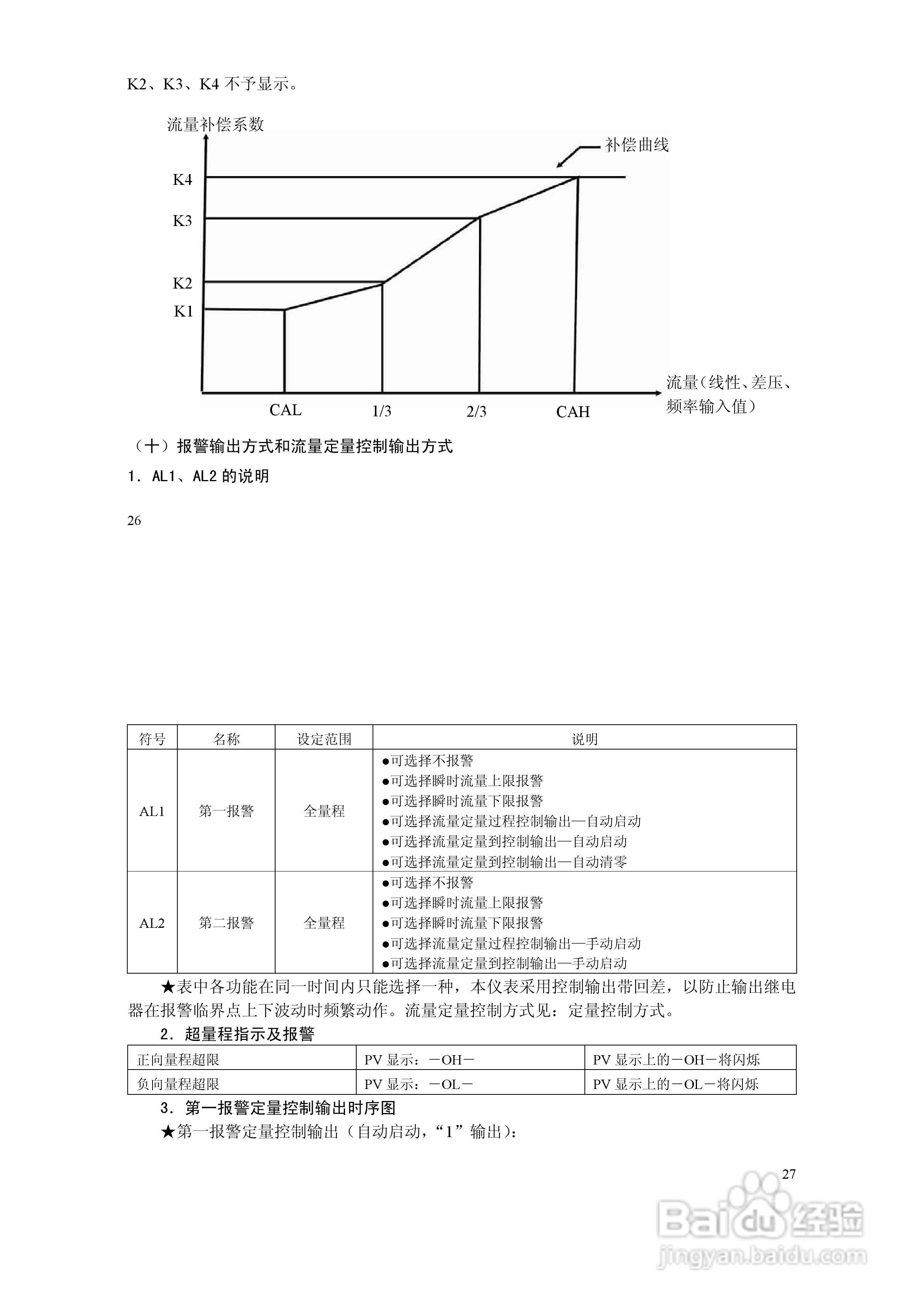
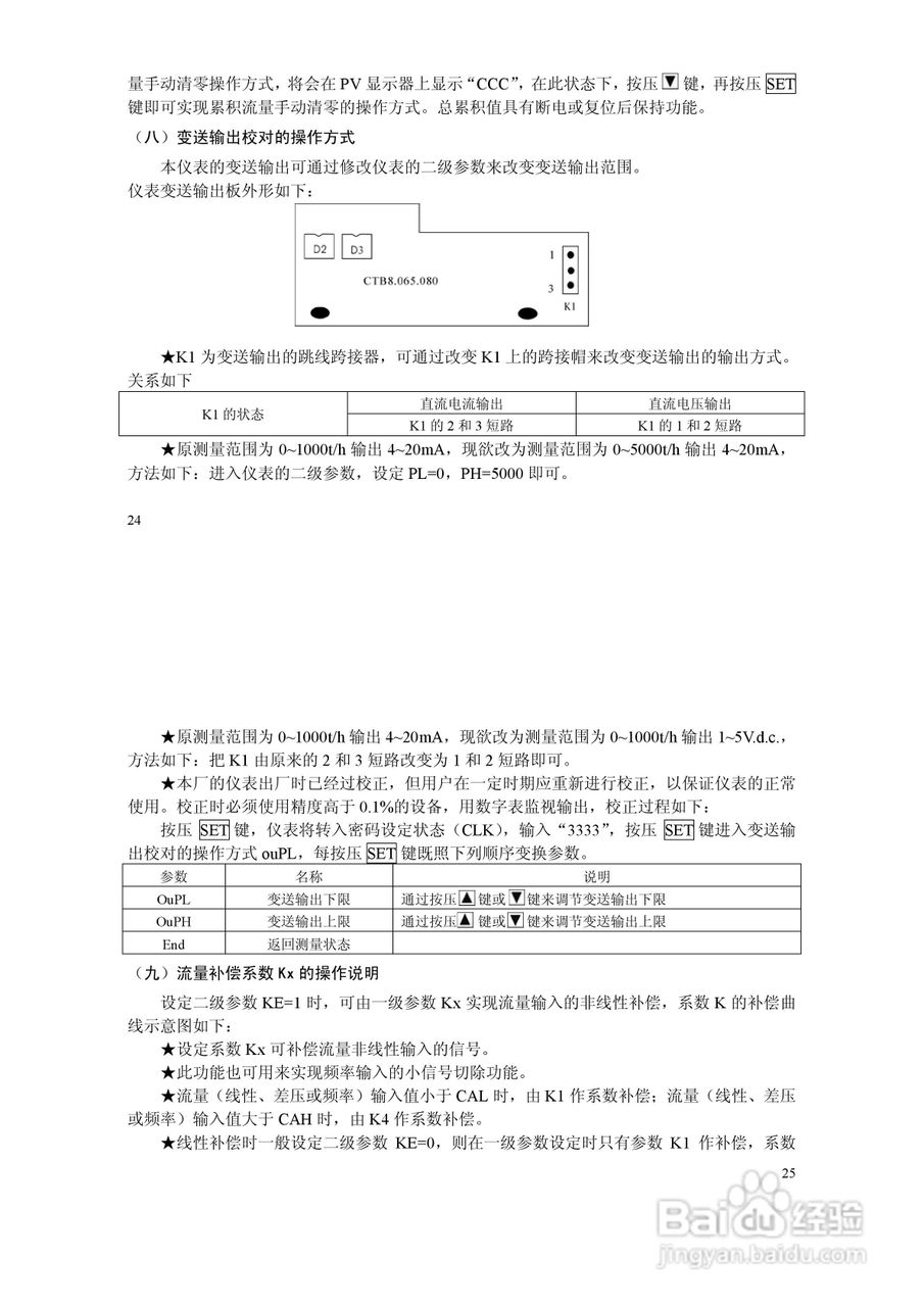
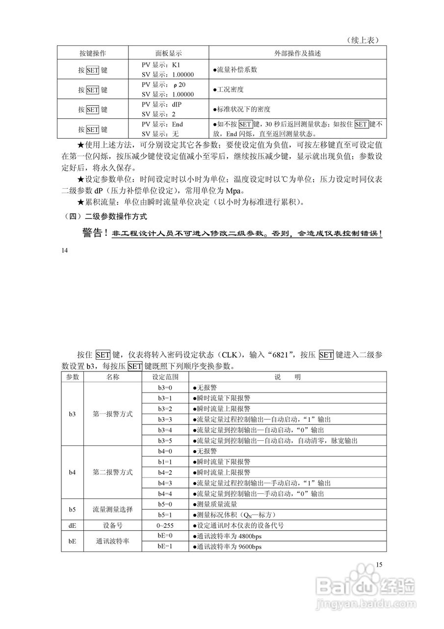
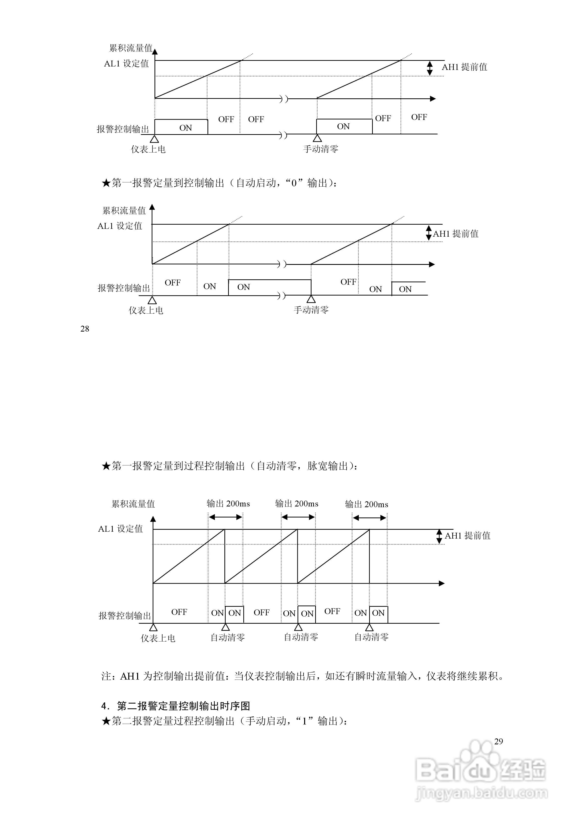
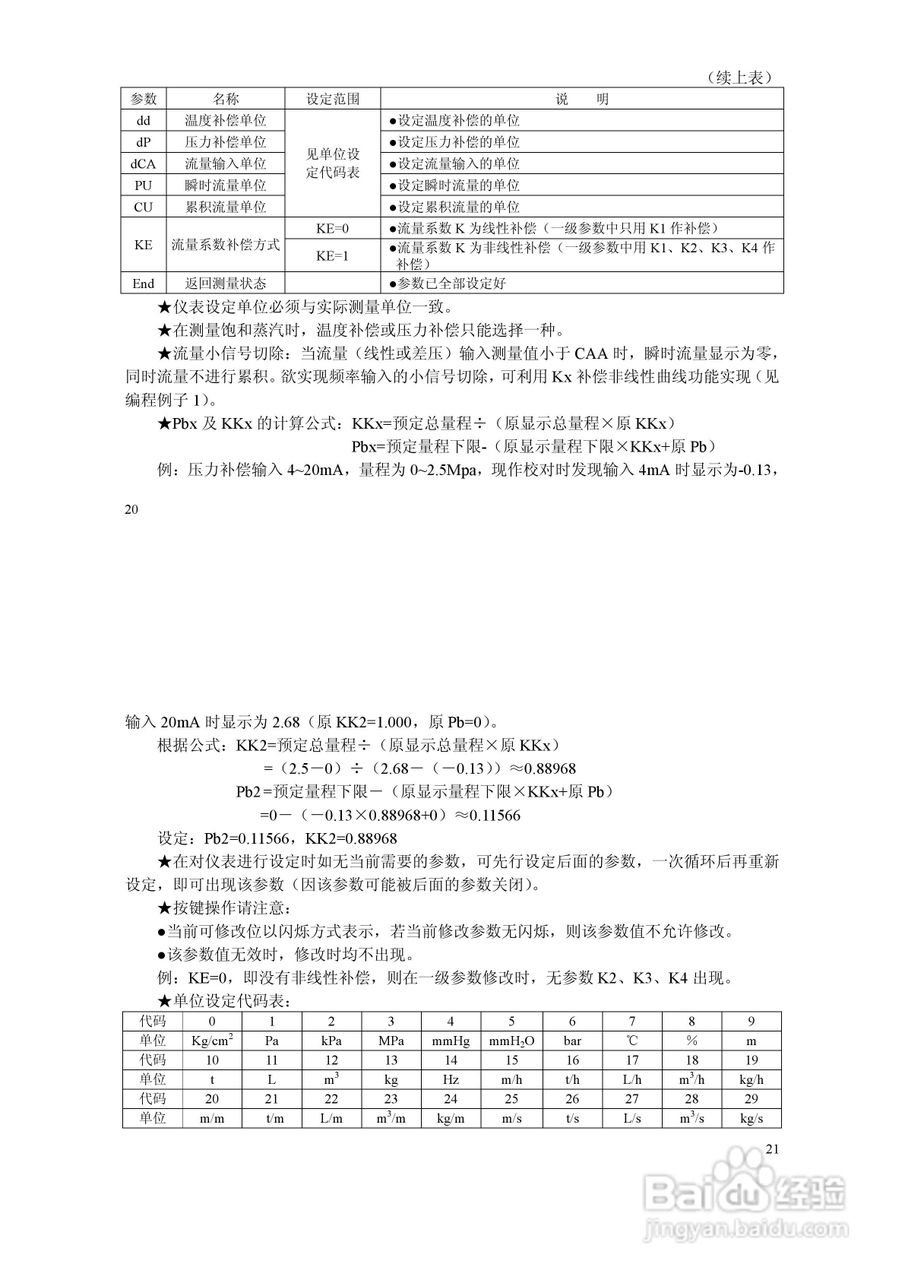
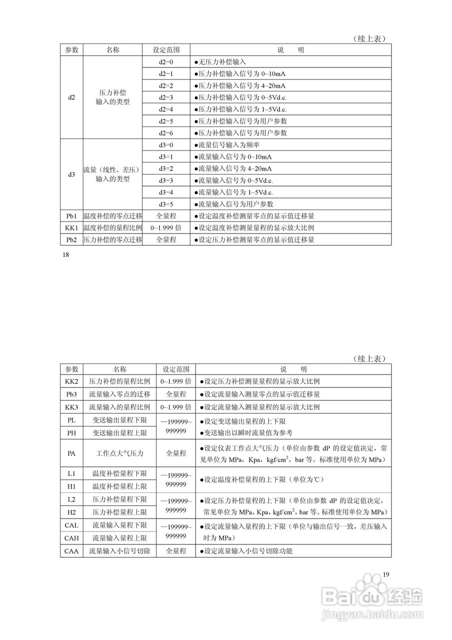
XSJZ流量积算仪使用说明书:[2]

 时间:2024-11-05 13:07:49

本篇为《XSJZ流量积算仪使用说明书》,主要介绍该产品的使用方法以及常见故障解决方案。

XSJZ流量积算仪使用说明书:[2]

XSJZ流量积算仪使用说明书:[2]

XSJZ流量积算仪使用说明书:[2]

XSJZ流量积算仪使用说明书:[2]

XSJZ流量积算仪使用说明书:[2]

XSJZ流量积算仪使用说明书:[2]

XSJZ流量积算仪使用说明书:[2]

XSJZ流量积算仪使用说明书:[2]

XSJZ流量积算仪使用说明书:[2]

XSJZ流量积算仪使用说明书:[2]

  • XSJZ流量积算仪使用说明书:[1]
  • SFD流量积算仪说明书:[2]
  • YD200L流量积算记录仪使用说明书:[2]
  • SFD流量积算仪说明书:[3]
  • WPJ流量积算仪
  • 热门搜索
    锦鲤怎么分公母 头发怎么扎好看 玛卡怎么吃 qq密码忘记了怎么办 糖耐量异常怎么办 烙饼怎么和面 火锅底料怎么做 耳朵发热是怎么回事 足跟痛是怎么回事 干瞪眼怎么玩