光影知识库
网站首页
美食营养
游戏数码
手工爱好
生活家居
健康养生
运动户外
职场理财
情感交际
母婴教育
时尚美容
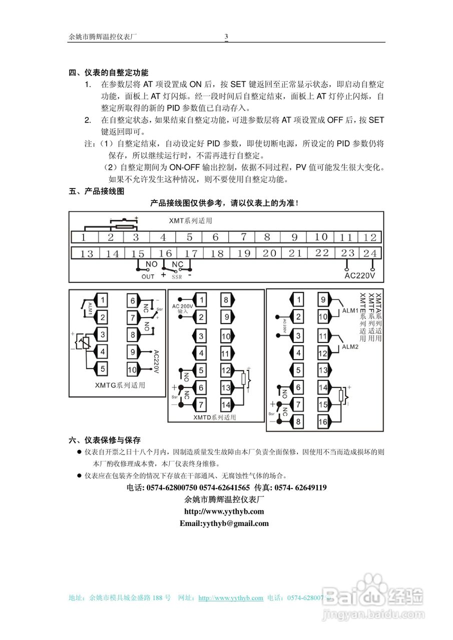
XMT2000系列数显调节仪使用说明书
时间:2024-11-28 06:06:52
真空管太阳能热水器如何清洗除垢
蓝翔电焊技术之气割的操作方法
了解家装工种
三种木料家具升值潜力无限大保养有方才是硬道理
怎么操作旋转式搂草机?
热门搜索
一氧化碳中毒怎么办
轻度脂肪肝怎么办
我的世界怎么盖房子
没有安全感怎么办
企业类别怎么填
怎么发链接
天津外国语大学怎么样
怎么创业呢白手起家
pleasure怎么读
白萝卜怎么腌制好吃
Copyright © 2025
光影知识库
All Rights Reserved 信息来自网络,所有数据仅供参考,有任何疑问请联系站长