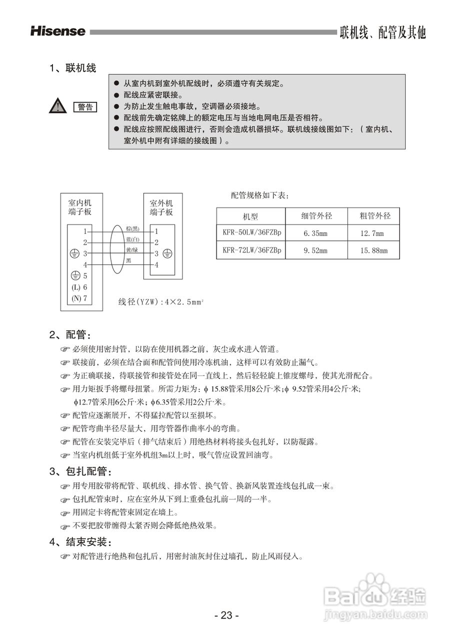
海信空调器KFR-50LW/36FZBp型使用说明书:[3]

 时间:2024-11-23 12:25:28

海信空调器KFR-50LW/36FZBp型使用说明书:[3]

海信空调器KFR-50LW/36FZBp型使用说明书:[3]

海信空调器KFR-50LW/36FZBp型使用说明书:[3]

海信空调器KFR-50LW/36FZBp型使用说明书:[3]

海信空调器KFR-50LW/36FZBp型使用说明书:[3]

海信空调器KFR-50LW/36FZBp型使用说明书:[3]

海信空调器KFR-50LW/36FZBp型使用说明书:[3]

  • 眼睛酸涩了怎么快速恢复
  • 外墙混凝土仿木纹漆效果怎么做?
  • 咖哩饭的做法
  • 土鸡蛋有什么营养价值?
  • 热门搜索
    11月份适合去哪里旅游 九寨沟在哪里 怎么样锻炼 满脸痤疮怎么办 如何改qq密码 无线路由器如何设置 怎么发朋友圈 路由器串联 如何戒烟小妙招 ie浏览器兼容模式怎么设置在哪里