NEC 6000HD (N) HL16000Dsx+ (N)高亮度 DLP投影机使用:[13]

 时间:2024-10-14 14:22:17

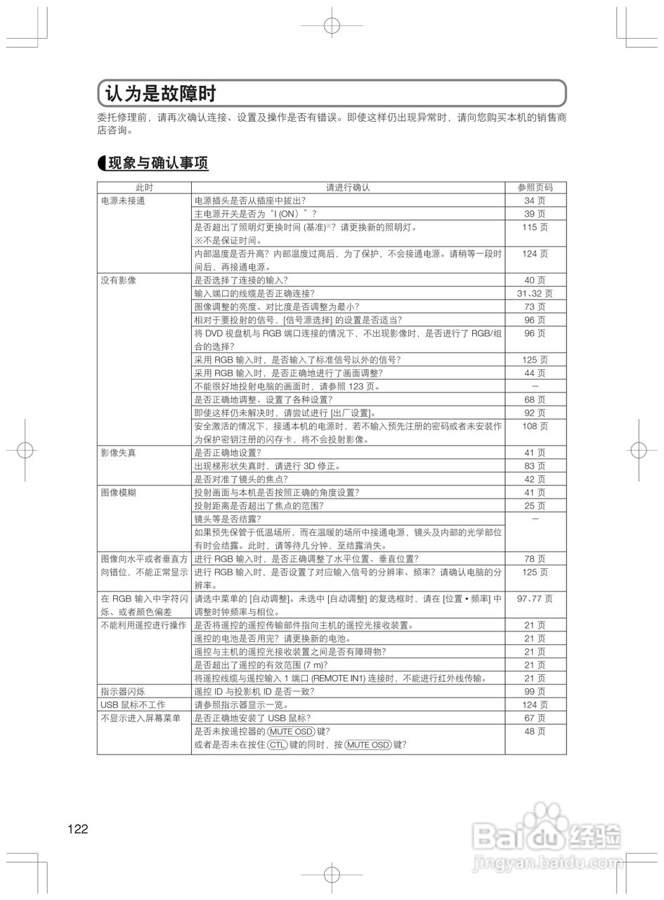
本篇为《NEC 6000HD (N) HL16000Dsx+ (N)高亮度 DLP投影机使用秋舄诫腓》,主要介绍该产品的使用方法以及常见故障解决方案。

NEC 6000HD (N) HL16000Dsx+ (N)高亮度 DLP投影机使用:[13]

NEC 6000HD (N) HL16000Dsx+ (N)高亮度 DLP投影机使用:[13]

NEC 6000HD (N) HL16000Dsx+ (N)高亮度 DLP投影机使用:[13]

NEC 6000HD (N) HL16000Dsx+ (N)高亮度 DLP投影机使用:[13]

NEC 6000HD (N) HL16000Dsx+ (N)高亮度 DLP投影机使用:[13]

NEC 6000HD (N) HL16000Dsx+ (N)高亮度 DLP投影机使用:[13]

NEC 6000HD (N) HL16000Dsx+ (N)高亮度 DLP投影机使用:[13]

NEC 6000HD (N) HL16000Dsx+ (N)高亮度 DLP投影机使用:[13]

NEC 6000HD (N) HL16000Dsx+ (N)高亮度 DLP投影机使用:[13]

NEC 6000HD (N) HL16000Dsx+ (N)高亮度 DLP投影机使用:[13]

  • NEC 6000HD (N) HL16000Dsx+ (N)高亮度 DLP投影机使用:[11]
  • NEC 6000HD (N) HL16000Dsx+ (N)高亮度 DLP投影机使用:[7]
  • NEC 6000HD (N) HL16000Dsx+ (N)高亮度 DLP投影机使用:[5]
  • NEC 6000HD (N) HL16000Dsx+ (N)高亮度 DLP投影机使用:[8]
  • NEC 6000HD (N) HL16000Dsx+ (N)高亮度 DLP投影机使用:[10]
  • 热门搜索
    急性子的功效与作用 鱼塘养鱼知识 蛋白粉的功效与作用 什么电动车质量最好 胎菊花的功效与作用 wed什么意思 腊八蒜用什么醋 领结婚证需要什么证件 六君子丸的功效与作用 运动会稿