鑫科瑞数控DS201系列全数字式单通道交流伺服驱动器用:[2]

 时间:2024-11-29 12:52:42

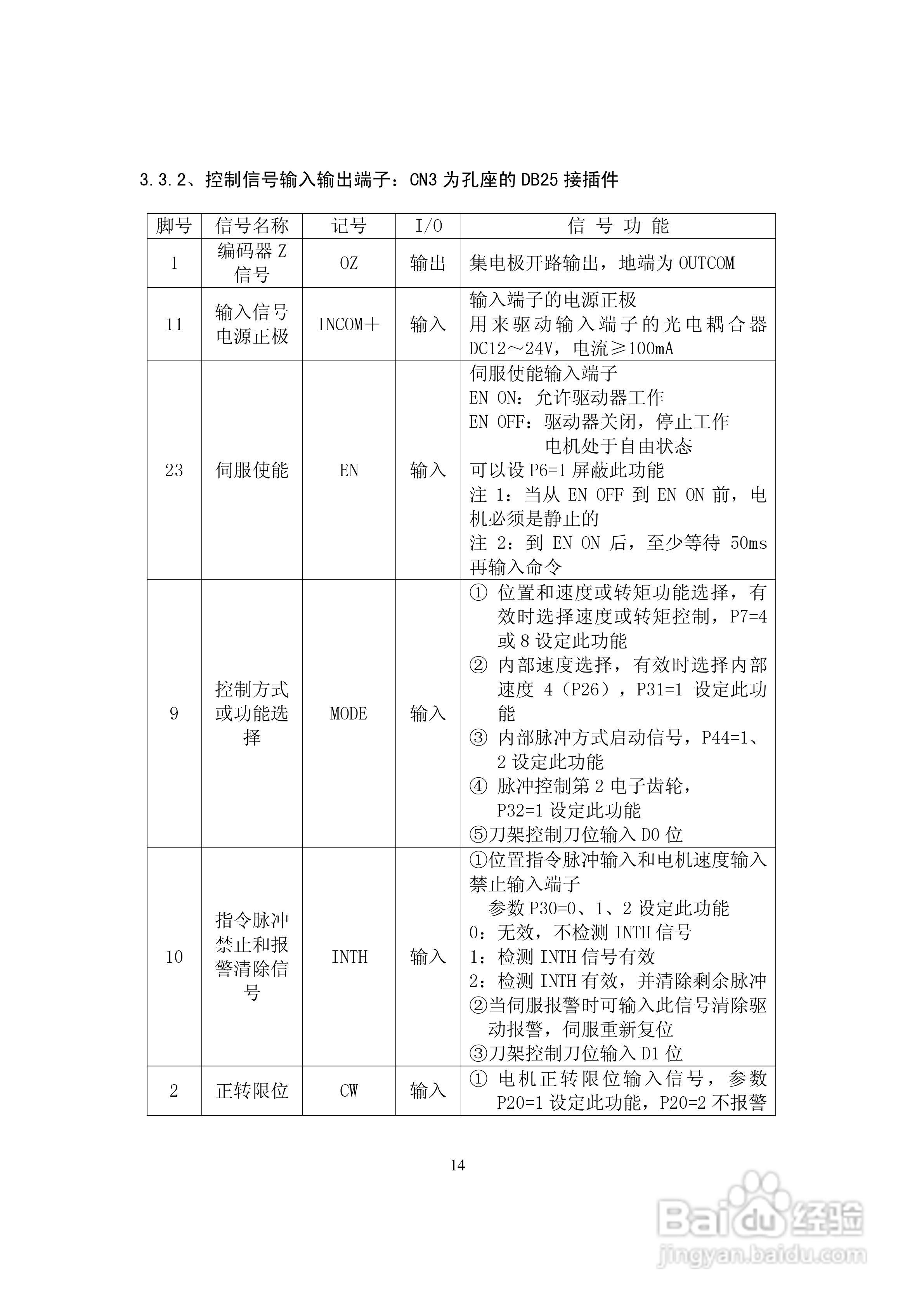
本篇为《鑫科瑞数控DS201系列全数字式单通道交流伺服驱动器用》,主要介绍该产品的使用方法以及常见故障解决方案。

鑫科瑞数控DS201系列全数字式单通道交流伺服驱动器用:[2]

鑫科瑞数控DS201系列全数字式单通道交流伺服驱动器用:[2]

鑫科瑞数控DS201系列全数字式单通道交流伺服驱动器用:[2]

鑫科瑞数控DS201系列全数字式单通道交流伺服驱动器用:[2]

鑫科瑞数控DS201系列全数字式单通道交流伺服驱动器用:[2]

鑫科瑞数控DS201系列全数字式单通道交流伺服驱动器用:[2]

鑫科瑞数控DS201系列全数字式单通道交流伺服驱动器用:[2]

鑫科瑞数控DS201系列全数字式单通道交流伺服驱动器用:[2]

鑫科瑞数控DS201系列全数字式单通道交流伺服驱动器用:[2]

鑫科瑞数控DS201系列全数字式单通道交流伺服驱动器用:[2]

  • 正确食用薏米粥暖壶煲出红豆薏米粥
  • 支付宝怎么关闭积分服务
  • 关于discuz! X2论坛发帖上传图片附件的一般步骤
  • 怎样使用VBA根据勾股定理求弦长?
  • Excel RADIANS函数的使用方法
  • 热门搜索
    基金定投是怎么回事 凉拌面的家常做法 苹果怎么开机 锅包肉怎么做 为什么额头上会长痘痘 月经有血块是怎么回事 引体向上怎么练 轮胎型号怎么看 力魔机油怎么样 排卵试纸怎么用