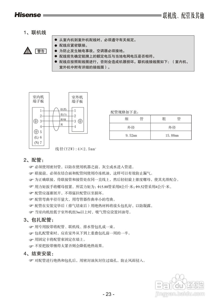
海信空调器KFR-72LW/27ZBp型使用说明书:[3]

 时间:2024-11-15 00:45:51

海信空调器KFR-72LW/27ZBp型使用说明书:[3]

海信空调器KFR-72LW/27ZBp型使用说明书:[3]

海信空调器KFR-72LW/27ZBp型使用说明书:[3]

海信空调器KFR-72LW/27ZBp型使用说明书:[3]

海信空调器KFR-72LW/27ZBp型使用说明书:[3]

海信空调器KFR-72LW/27ZBp型使用说明书:[3]

海信空调器KFR-72LW/27ZBp型使用说明书:[3]

海信空调器KFR-72LW/27ZBp型使用说明书:[3]

  • 海信空调器KFR-72LW/27ZBp型使用说明书:[1]
  • 海信空调器KFR-50LW/27ZBp型使用说明书:[3]
  • 海信空调器KFR-50LW/27ZBp型使用说明书:[2]
  • 海信空调器KFR-60LW/27ZBp型使用说明书:[3]
  • 海信空调器KFR-60LW/27ZBp型使用说明书:[2]
  • 热门搜索
    骉怎么读 酸菜鱼火锅的做法 鱼香肉丝的做法大全 怎么发邮件 我的笔顺怎么写 bought怎么读 翟怎么读拼音 蒯怎么读 为什么说杨幂脚臭 微信接龙怎么操作